 2025-09-01
                                2025-09-01
                            
                                双路单刀双掷模拟开关 | 力芯微推出负信号传输音频开关                            
                         
            在开发智能硬件或嵌入式系统时,你是否遇到过这样的问题:主控芯片的GPIO(通用输入输出)引脚不够用?按键、传感器、LED、显示屏…外设越来越多,资源却捉襟见肘。今天为大家介绍一种硬件设计的“神器”—GPIO扩展IC,低成本实现引脚扩展。
      力芯微推出的这款经典8位I2C GPIO扩展芯片,支持1.65~5.5V电平转换,对于系统设计来讲可以体现以下几点优势:
     1. 成本优化:无需升级高价主控,低成本芯片解决引脚短缺问题。  
     2. 简化设计:减少PCB布线复杂度,尤其适合空间紧凑的产品。  
     3. 灵活配置:支持输入/输出模式切换,具备中断功能。  
     4. 低功耗:专为扩展设计的芯片,功耗远低于额外MCU方案。
特点:
●8bit GPIO扩展
●工作电压范围:1.65V to 5.5V
●支持双向电平转换:
●极低的静态电流损耗:典型值 1.5uA@VDDP=5V;典型值 1.0uA@VDDP=3.3V
●IO输入/输出独立可配
●硬件复位输入信号,低电平有效
●400 KHz 快速模式(Fast-mode)I2C总线,2个I2C拓展地址
●输出具有推挽和开漏方式
●上下拉电阻配置
●SCL/SDA 输入端口噪声滤波
●GPIO端口最大驱动能力 25mA,直接驱动 LED
●封装形式:ET6408 BGA16(1.6mm x 1.6mm)、ET6408V TSSOP16(width 4.4mm )、ET6408Y QFN16 (3mm×3mm)
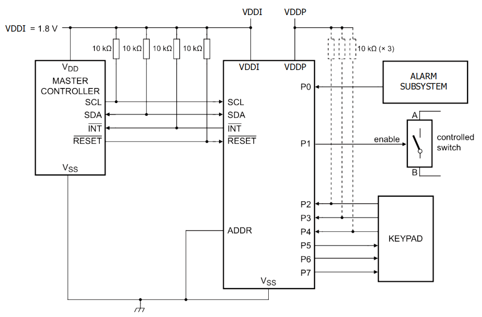
典型应用

管脚定义


功能框图
